
Производится из: FO
Введение:
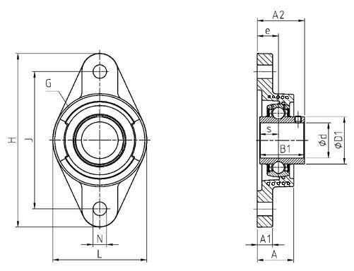
Подшипниковый узел — элемент конструкции, объединяющий подшипник и корпус подшипника, и состоящий из следующих компонентов: корпус из чугуна или специальных материалов. Может состоять из двух или более частей, которые могут быть привинчены на посадочную поверхность болтами; один или несколько подшипников, которые устанавливаются непосредственно на вал или присоединяются при помощи закрепительной втулки; уплотнительная система, защищающая подшипники при работе; устройство для повторной смазки подшипников во время работы.
Подшипниковый узел — элемент конструкции, объединяющий подшипник и корпус подшипника, и состоящий из следующих компонентов: корпус из чугуна или специальных материалов. Может состоять из двух или более частей, которые могут быть привинчены на посадочную поверхность болтами; один или несколько подшипников, которые устанавливаются непосредственно на вал или присоединяются при помощи закрепительной втулки; уплотнительная система, защищающая подшипники при работе; устройство для повторной смазки подшипников во время работы.
Подшипниковые узлы впервые были изготовлены в Японии. Позже производство подшипников в корпусе началось в Европе и Америке.
Наиболее распространенные типы стандартных корпусов подшипников:
1.разъемные стационарные корпуса;
2.цельные стационарные корпуса;
3.фланцевые корпуса;
4.натяжные корпуса.
Сфера применения
При выборе корпуса для подшипника качения необходимо учитывать условия и сферу применения, в которой он будет эксплуатироваться. Как уже упоминалось выше, проще всего приобрести неразъемный, изготовленный по стандартам корпус. В технической документации к данному изделию указываются основные его характеристики, какую температуру выдерживает корпус, к каким нагрузкам адаптирован и пр. Существуют неразъемные корпуса для одной или сразу нескольких областей применения.
Разъемный же тип корпуса можно адаптировать к самым разнообразным эксплуатационным условиям, используя различные виды подшипников и системы уплотнения. Тем не менее, несмотря на то, что такой корпус можно подстроить под нужные рабочие условия, каждая модель рассчитана на определенные сферы применения, о чем так же указывается в паспорте изделия.
Номер | UCFL206 |
Внутренний диаметр (d) | 30 мм |
Наружный диаметр (D) | 148 мм. |
Высота (B) | 40.2 мм. |
Вес | 0.88 Кг |