Производится из: FO
Введение : Радиально-упорные шариковые подшипники используются для восприятия осевых и радиальных нагрузок. Восприятия осевой нагрузки зависит от угла между плоскостью центров шариков и условной прямой, проходящей через их центры. Этот угол носит название угол контакта. С его увеличением уменьшается радиальная грузоподъемность и возрастает осевая. Предназначены для восприятия комбинированных нагрузок (радиальных и осевых). Могут воспринимать чисто осевую нагрузку. Осевая грузоподъемность их зависит от угла контакта.
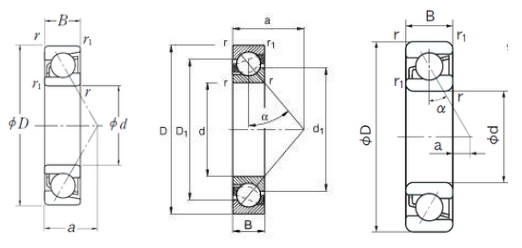
Радиально-упорные шариковые подшипники используются для восприятия осевых и радиальных нагрузок. Восприятия осевой нагрузки зависит от угла между плоскостью центров шариков и условной прямой, проходящей через их центры. Этот угол носит название угол контакта. С его увеличением уменьшается радиальная грузоподъемность и возрастает осевая. Предназначены для восприятия комбинированных нагрузок (радиальных и осевых). Могут воспринимать чисто осевую нагрузку. Осевая грузоподъемность их зависит от угла контакта.

Основные констуктивные исполнения на примере подшипника 205:
• 36205 – угол контакта 12 градусов;
• 46205 – угол контакта 26 градусов;
• 66205 – угол контакта 36 градусов.
Скоростные характеристики радиально-упорных подшипников примерно соответствует показателям радиальных однорядных. При увеличении угла контакта снижаются частоты вращения, увеличивается односторонняя осевая нагрузка. Установка подшипников осуществляется на жестких двухопорных валах, между опорами которых небольшое расстояние. Также этот вид подшипников может использоваться в узлах, требующих регулирования радиального зазора во время монтажа или эксплуатации.
Радиально-упорные однорядные шариковые подшипники воспринимают осевую нагрузку только в одном направлении, поэтому они должны устанавливаться друг напротив друга, что обеспечивает восприятие осевой нагрузки в обоих направлениях. Радиально-упорные шарикоподшипники выпускаются неразъемными и могут использоваться в узлах, имеющих высокие частоты вращения. Способность к самоустановке таких подшипников не велика.
В универсальном исполнении радиально-упорные шарикоподшипники отлично подходят для комплектного монтажа. Они могут устанавливаться в произвольном порядке, но обязательно вплотную друг к другу. Такой монтаж подшипников позволяет достичь необходимого значения осевого внутреннего зазора, равномерное распределение нагрузки. При правильной установке радиально-упорных шарикоподшипников можно отказаться от использования прокладок.
Несоосность подшипника компенсируется недостаточно. При перекосах внутреннего и наружного колец относительно друг друга резко увеличиваются шум и вибрация. Внутренний зазор устанавливается после окончания монтажа подшипника в зависимости от его положения по отношению ко второму подшипнику.
Сепаратор радиально-упорных шарикоподшипников чаще всего изготавливается из стеклонаполненного полиамида. Это позволяет использовать их для установки в узлах, во время эксплуатации которых температура достигает 120 градусов. Сократить срок службы сепаратора могут присадки, содержащиеся в составе масла. Также на срок службы таких подшипников оказывает влияние старое масло. Для того, чтобы радиально-упорные шарикоподшипники служили как можно дольше, необходимо строго соблюдать сроки замены смазочных материалов.
Так как работа подшипников осуществляется на высоких скоростях, они постоянно должны находится под минимальной нагрузкой, так как инерция шариков и сепаратора, силы трения могут оказать на условия качения негативное воздействие, в результате чего шарики могут проскальзывать по дорожке качения.
Номер | 708/1000A |
Внутренний диаметр (d) | 1000 мм |
Наружный диаметр (D) | 1220 мм. |
Высота (B) | 71 мм. |
Вес | 190 Кг |