Производится из: FO
Введение : Это подшипники, предназначенные для работы в упоре под воздействием осевой нагрузки. Многие упорные подшипники также способны воспринимать небольшие радиальные нагрузки. Кольца упорного подшипника имеют равный (или примерно равный) диаметр, между ними происходит вращение и передача нагрузок. Далее рассмотрим упорные шариковые подшипники, подробнее обо всех типах упорных подшипников
Одинарные упорные подшипники
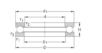
Одинарные упорные шарикоподшипники состоят из тугого кольца с дорожкой качения , свободного кольца с дорожкой качения и набора шариков и сепаратора. Подшипники разъемные, то есть кольца с дорожкой качения и наборы шариков и сепаратора могут быть установлены по раздельности, просты в установке.
Доступны одинарные упорные шариковые подшипники:
![]() | ![]() |
| с плоской опорной поверхностью | со сферической опорной поверхностью |
Чтобы компенсировать несоосность между опорной поверхностью и валом, подшипники со сферической опорной поверхностью можно использовать со сферическим подкладным кольцом:

со сферическимподкладным кольцом
Одинарные упорные подшипники могут воспринимать осевую нагрузку в одном направлении и таким образом фиксировать вал относительно оси. Они не могут воспринимать радиальную нагрузку.
Двойные упорные подшипники
Двойные упорные шарикоподшипники состоят из тугого кольца с дорожкой качения , свободного кольца с дорожкой качения, и двух наборов шариков и сепаратора. Подшипники разъемные, просты в установке. Различные части могут быть установлены по раздельности. Тугое кольцо с дорожкой качения и наборы шариков и сепаратора такие же как в одинарных упорных шарикоподшипниках.
Доступны двойные упорные шариковые подшипники:
![]() | ![]() |
| с плоской опорной поверхностью | со сферической опорной поверхностью |

со сферическимподкладным кольцом
Двойные упорные подшипники могут воспринимать осевую нагрузку в двух направлениях и таким образом фиксировать вал относительно оси. Они не могут воспринимать радиальную нагрузку.
заглавие | 53240 |
Внутренний диаметр (d) | 200 мм |
Наружный диаметр (D) | 280 мм. |
высота (B) | 65.3 мм. |
весит | 11.8 Кг |