
Производится из: FO
Введение:
Упорные роликоподшипники – одна из разновидностей сборочных узлов, что предназначены для фиксации детали в пространстве, и обеспечения вращения конструкции с минимальным сопротивлением. Изделие воспринимает и передает динамическую нагрузку на другие детали механизма.
Упорные роликоподшипники – одна из разновидностей сборочных узлов, что предназначены для фиксации детали в пространстве, и обеспечения вращения конструкции с минимальным сопротивлением. Изделие воспринимает и передает динамическую нагрузку на другие детали механизма.
Конструкция предусматривает, что нельзя допускать нагрузку поперек валовой оси. При этом изделие подойдет для механических систем с крайне высокими осевыми нагрузками. Это главная особенность детали, что определяет сферу ее применения.
Такой вид подшипника изготовляют по стандартным технологиям, но изделие может иметь усовершенствования от производителя – к примеру, защитный кожух.
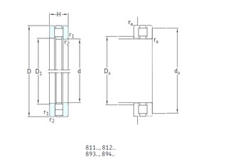
Деталь состоит из основных четырех элементов – наружного и внутреннего колец, тел качения и стального сепаратора. Особенность конструкции состоит в том, что расстояние между кольцами является прямо перпендикулярным оси вращения. Стандартная конструкция предусматривает две дорожки качения, которые могут быть плоскими или со специальными углублениями. Их разделяет стальной сепаратор, в который встроены тела качения.
Подшипник роликовый радиально-упорный разнится от стандартного шарикового того же размера тем, что поверхность соприкосновения тел с внутренним и внешним кольцом больше. Увеличенная площадь контакта позволяет снизить давление на ролики при аналогичной нагрузке, что позволяет значительно продлить срок эксплуатации изделия.
При этом модели с такой конструкцией могут выдержать удар, и менее подвержены деформациям.
Есть разные типы подшипников на роликовой основе. Их основным различием является вид роликов – движущегося элемента. Согласно этой характеристике, различают:
- цилиндрические. Они оборудованы роликами соответствующей названию (цилиндрической) формы. Высота такого ролика приблизительно равняется его диаметру. Цилиндрический роликовый подшипник подойдет для устройства, что выдерживает значительные нагрузки, но им можно пользоваться лишь на невысокой скорости;
- игольчатые. В них ролики также цилиндрические, но имеют значительно отличие – их длина в несколько раз больше диаметра. Такая конструкция позволяет создать очень компактные изделия, в том числе – упорный игольчатый подшипник без колец, в котором функционируют лишь сепаратор и ролики;
- сферические. Такая форма движущихся элементов станет отличным решением для радиальных и осевых нагрузок, а механизм несложно собрать и установить;
- конические. Ролики конической формы помогут правильно распределить нагрузку при высоких скоростях вращения и не выйдут из строя при непредвиденных ударах.
Также существуют подшипниковые узлы, когда деталь вмонтирована в корпус устройства еще на этапе производства и не является съемной.
Где используются
Упорные роликовые подшипники применяют для значительного количества устройств. Один из примеров – механизм конвейеров. В подобных устройствах легко увидеть особенности работы деталей такого типа. Ведь изделия могут выдерживать очень высокие осевые нагрузки, но не адаптированы к радиальным и комбинированным, применять которые запрещено. При этом механизм устройчив к ударам и физическим деформациям.
Изделия с роликовой конструкцией могут сильно разниться габаритами – от 10 мм до метра и более. А максимальная грузоподъемность габаритных моделей может превышать несколько тонн. Но чем больше механизм, тем ниже скорость вращения. В небольших конструкциях возможно достижения скорости до 10000 об/мин, а объемных – 100-200 оборотов за минуту.
Стоит учесть тот факт, что подшипники можно адаптировать к системе: к примеру, конструкция дает возможность разделить кольца и сепаратор, если деталь будет находиться на поверхности устройства.
Номер | 89452 |
Внутренний диаметр (d) | 260 мм |
Наружный диаметр (D) | 480 мм. |
Высота (B) | 132мм. |
Вес | 114 Кг |