
Производится из: FO
Введение : Подшипник конический роликовый состоит из двух обойм – внешнего и внутреннего кольца – с размещенными между ними телами качения. Последние выполнены в виде цилиндрических, а не шариковых роликов и расположены под углом к контуру. Все вместе они образуют некий конус (отсюда и название), при этом каждый элемент огражден от контакта с соседями сепаратором, который и исключает неравномерное распределение.
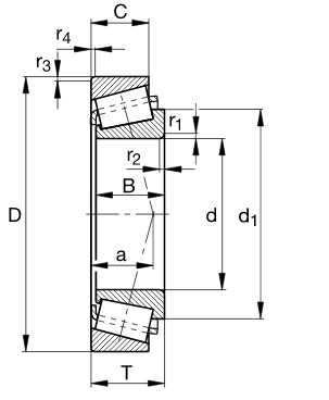
Подшипник конический роликовый состоит из двух обойм – внешнего и внутреннего кольца – с размещенными между ними телами качения. Последние выполнены в виде цилиндрических, а не шариковых роликов и расположены под углом к контуру. Все вместе они образуют некий конус (отсюда и название), при этом каждый элемент огражден от контакта с соседями сепаратором, который и исключает неравномерное распределение.
При отсутствии такого разделителя тела качения в процессе вращения группировались бы на каком-то одном участке (секторе). Это приводило бы к перекосу вала, а значит, со временем, и к радиальному биению, а затем к перегреву и разрушению сборочного узла. Поэтому его наличие крайне важно, равно как высокий класс точности изготовления всех деталей и даже посадочных мест под установку наружных колец.
Основные типы конических роликоподшипников:
Однорядные – используются для компенсации нагрузок (радиальных или осевых), действующих только с одной стороны. Допустимо устанавливать с натягом. При их эксплуатации можно регулировать не только зазор, но и смещение (но только при раздельном монтаже внешнего и внутреннего колец).
Двухрядные – применяются при напряжении, вектор которого распространяется как вдоль, так и поперек. Представляют собой комбинацию контуров, собранных О-образно. Чаще всего эксплуатируются во вращающихся валах, когда не предусмотрена защита корпуса сборочного узла.
Четырехрядные – используются в тех же случаях, что и двухрядные, только обладают сравнительно большей механической надежностью. Но также являются более габаритными.
Разъемные – применяются при наличии повышенного напряжения, распространяющегося сразу по обоим векторам. Отличаются максимально простой установкой, удобной за счет возможности раздельного монтажа внутреннего и наружного колец.
Роликовые конические подшипники – для чего и, в каких сферах их применяют:
• Для крепежа в колесные втулки легковых и коммерческих автомобилей, для отдельных видов сельскохозяйственной техники.
• Для редукторов отбора мощности.
• Для трансмиссии – коробка передач, дифференциалы.
• Шпиндели станков.
Кроме того, продуманная конструкция упорных моделей качения способствует качественному выполнению вращательных движений без возможности скольжения роликов по дорожкам любого из колец.
Подшипник конусный отличается наличием переменчивого контакта угла дорожек качения. Это является идеальной компенсацией при соотношении двух нагрузок – осевой и радиальной.
Номер | T2ED028 |
Внутренний диаметр (d) | 28мм |
Наружный диаметр (D) | 65мм. |
Высота (B) | 27мм. |
Вес | 0.451Кг |