
Производится из: FO
Введение : В цилиндрических роликовых подшипниках ролики имеют форму цилиндра. Когда цилиндрический ролик соприкасается с дорожкой качения под нагрузкой, между ними образуется большое пятно контакта. Благодаря этому цилиндрические роликовые подшипники имеют наибольшую радиальную грузоподъемность среди всех типов подшипников. Так как цилиндр является самым простым роликом, по сравнению с другими типами роликовых подшипников цилиндрические подшипники имеют наилучшие скоростные показатели.
В цилиндрических роликовых подшипниках ролики имеют форму цилиндра. Когда цилиндрический ролик соприкасается с дорожкой качения под нагрузкой, между ними образуется большое пятно контакта. Благодаря этому цилиндрические роликовые подшипники имеют наибольшую радиальную грузоподъемность среди всех типов подшипников. Так как цилиндр является самым простым роликом, по сравнению с другими типами роликовых подшипников цилиндрические подшипники имеют наилучшие скоростные показатели. Хотя цилиндром современный ролик можно назвать с трудом, поскольку он имеет сложную геометрическую форму, например, логарифмический профиль, улучшающую характеристики цилиндрического роликоподшипника.
Главная особенность устройства подшипников с цилиндрическими роликами – борта на кольцах, которые ограничивают осевое перемещение роликов. Плавающий цилиндрический роликоподшипник имеет борта не со всех сторон и допускает осевое перемещение роликов относительно одного из колец для компенсации температурного расширения и монтажных допусков. Цилиндрический роликоподшипник с полным набором бортов может воспринимать умеренные осевые нагрузки, ограниченные выделяемой и рассеиваемой теплотой, и не допускает осевого перемещения вала, поэтому обычно применяется вместе с подвижным в осевом направлении подшипником.
Хотя роликоподшипники с цилиндрическими роликами имеют большую грузоподъемность, чем шарикоподшипники, они более чувствительны к перекосу. Например, угловой перекос между валом и корпусом приводит к неравномерной загрузке роликов, что уменьшает срок службы подшипника. Неточная установка цилиндрического подшипника на вал вызывает перекос между кольцами, даже без нагрузки. Также внешняя нагрузка может изгибать вал или корпус, что тоже может привести к появлению перекоса. Иногда преимуществом цилиндрического роликоподшипника является возможность легкого демонтажа – у разных типов либо внутреннее, либо наружное кольцо выполнено съемным.
Существуют цилиндрические роликоподшипники в усиленном исполнении. У этих подшипников комплекты роликов рассчитаны и сконструированы таким образом, чтобы была обеспечена максимальная грузоподъемность.
У однорядных подшипников с короткими цилиндрическими роликами сепараторы штампованные или массивные. Материал массивных сепараторов - сталь, латунь, бронза, алюминиевые сплавы. Центрируются массивные сепараторы обычно по двухбортовому кольцу.
Сепараторы
У однорядных подшипников с короткими цилиндрическими роликами сепараторы штампованные или массивные. Материал массивных сепараторов - сталь, латунь, бронза, алюминиевые сплавы. Центрируются массивные сепараторы обычно по двухбортовому кольцу.
Зазор подшипника
Однорядные цилиндрические роликовые подшипники стандартного исполнения имеют нормальный радиальный зазор. Также существуют подшипники с дополнительным обозначением С3 (радиальный зазор больше, чем нормальный) или С4 (радиальный зазор больший, чем С3).
111111111111111Самоустановка цилиндпических роликоподшипников
Модифицированный линейный контакт между роликами и дорожками качения цилиндрических роликоподшипников препятствует возникновению кромочного напряжения и допускает определенную самоустановку.
Что касается однорядных цилиндрических роликовых подшипников, существует четыре разных вида, в которые входят такие подшипники, как:
• NU (двубортное внешнее кольцо, внутреннее кольцо не имеет бортов);
• N (внешнее кольцо бортов не имеет, а внутреннее – двубортное);
• NJ (внешнее кольцо – двубортное, внутреннее – борта отсутствуют).
• NUP (внешнее имеет два борта, внутреннее – однобортное, кроме этого, есть съемный борт, который является свободным кольцом).
Применение роликовых цилиндрических подшипников.
Такие роликоподшипники широко применяют в насосах, редукторах с высокой мощностью, осевых буксах железнодорожного транспорта, косозубых механических передачах, легковой автопромышленности и др.
Трение в цилиндрических роликоподшипниках не очень большое, почти такое же, как у других подшипников. Цилиндрические роликоподшипники бывают различных конструкций, серий и типоразмеров, начиная с однорядных подшипников и выше. Разъемная конструкция таких подшипников невероятно удобна и значительно упрощает их обслуживание, отсюда и популярность их применения в разных конструкциях для разных нужд. В зависимости от того, каким является роликоподшипник (однорядным, двурядным и далее), варьируется и его использование.
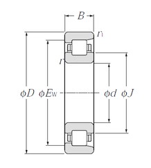
Номер | NF328 |
Внутренний диаметр (d) | 140 мм |
Наружный диаметр (D) | 300 мм. |
Высота (B) | 62 мм. |
Вес | 22 Кг |